

發表于:2021-12-02 15:14:16 來源:鐵木辛柯
近年來,在政策引導和市場迭代的雙重作用下,裝配式鋼結構建筑得到大力發展,尤其是鋼結構住宅在各個科研院所、廠商企業的努力下,取得了一系列成果,同時得到了廣泛應用。鐵木辛柯隱式框架技術體系也是目前市場應用比較成熟的技術之一,在應用過程中得到各方的大力支持和持續改進,近期在廣州白云五建、江西中陽建設、北匯綠建等合作伙伴的支持下,新一批科研工作全面展開,主要研究批量標準化構件的智能制造課題。
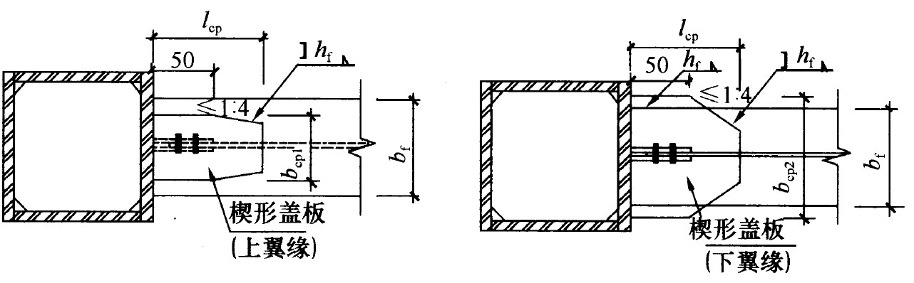
首批進入試驗階段的是翼緣開孔削弱型梁柱剛接節點抗震性能研究。鋼框架梁柱剛接節點設計通常采用加強鋼梁翼緣的方法來保證節點塑性鉸外移,使得連接節點具有足夠的延性,如梁翼緣擴翼式、梁翼緣局部加寬式、梁翼緣蓋板式等,但這類加強型連接節點存在制作較為復雜,節點用鋼量大的缺點。
加強型梁柱節點構造
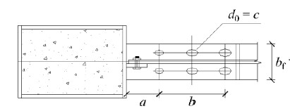
除上述方式外,另一類保證梁柱節點延性的方法是通過削弱節點區以外的梁截面,從而使得塑性鉸出現在鋼梁上,如狗骨式節點。這種狗骨式連接節點的缺點是翼緣切割面加工復雜,且試驗研究發現在梁截面削弱處容易發生面外失穩。
狗骨式節點
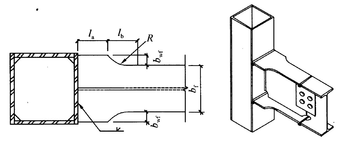
為使梁柱節點在制作簡便、適配智能線的情況下,同時具有良好的抗震性能,杭州鐵木辛柯建筑結構設計事務所有限公司(簡稱“鐵木辛柯”)提出了一種翼緣開孔削弱型梁柱剛接節點,新節點通過翼緣開孔的方式來削弱梁端截面,從而實現“強節點,弱構件”的抗震性能目標。
削弱型梁柱節點構造
前期已采用數值模擬的方法,選取開孔形式、孔徑、排數、間距等設計參數,詳細分析了各參數對翼緣開孔節點抗震性能的影響。分析結果表明,新型節點的塑性開展主要集中在梁翼緣開孔段,節點的滯回曲線飽滿,具有較強的塑性轉動能力,能夠滿足高延性節點的要求。
翼緣開孔節點滯回曲線
為進一步檢驗新型節點的抗震性能,近期即將在浙江大學建工試驗中心開展翼緣開孔削弱型梁柱剛接節點的試驗研究工作,擬通過擬靜力試驗方法對新節點的滯回性能進行研究,掌握往復水平荷載作用下節點的承載力、延性、耗能能力和破壞模式。
翼緣開孔節點試件
試件側向約束裝置
課題研究將揭示翼緣開孔削弱型梁柱剛接節點的破壞規律,通過試驗研究和數值模擬進一步驗證新型節點的設計方法,進而豐富和升級隱式框架-支撐(鋼板墻)鋼結構住宅體系。接下來,鐵木辛柯將針對構件標準化和建造智能化開展持續深入研究,推進鋼結構型材產品的標準化、模數化及高效能生產,從構件的配料、裝配、焊接、涂裝等環節提高設備的自動化、智能化程度,進一步提升鋼結構住宅的智能建造技術。