

發表于:2020-09-25 17:04:52 來源:鐵木辛柯
各位領導、各位嘉賓下午好!我今天給大家分享的題目是《鋼結構住宅工程建設全過程技術與管理要點解讀》。
鋼結構住宅在我國的起點是2000年。建國后,我國粗鋼產量一直較低,1950年粗鋼產量為60萬噸,建筑行業盡量節約用鋼。1997年,我國粗鋼產量首次突破一億噸,建設部開始組織專家學者研究在建筑領域用鋼。
我國歷年粗鋼產量(萬噸)
2000年5月,建設部建筑用鋼協調組在京召開了“全國建筑用鋼技術發展研討會”,會上成立了鋼結構專家組,討論了國家建筑鋼結構產業“十五”計劃和2010年發展規劃綱要及建筑鋼結構工程技術政策。專家們提出將建筑鋼結構歸納為高層重型鋼結構、空間大跨度鋼結構、輕型鋼結構、鋼混組合結構、住宅鋼結構5大類, “十五”期間應以住宅鋼結構為發展重點。
二十年過去了,高層重型鋼結構、空間大跨度鋼結構、輕型鋼結構、鋼混組合結構在我國都有較大的發展,唯獨住宅鋼結構發展緩慢,究其原因是由鋼結構住宅自身的特點決定的,其與傳統現澆混凝土住宅的建設方式有區別,與傳統鋼結構建筑的建設方式也有不同。
與傳統現澆混凝土住宅相比,在建設流程方面,混凝土住宅的材料和施工都在現場完成,鋼結構多了鋼結構工廠制作環節,整體流程進度會受到工廠進度的制約。在材料采購方面,混凝土住宅所用的鋼筋、模板、腳手架、商品混凝土、干粉砂漿等,市場供應充分,項目建設基本不受制約,鋼結構住宅的工業化部品原材料采購,需要有訂貨周期,預留出廠家制作時間。建造技術方面,混凝土現場的鋼筋綁扎、模板搭設及拆除、混凝土澆筑以人工操作為主,鋼結構構件的制作主要在工廠以設備完成,現場鋼結構的連接采用高強螺栓和焊接連接。技術工人方面,混凝土建筑工人市場容量較大,工人技術熟練;鋼結構技術工人相對稀缺,設計、施工各環節的技術人員也較少。
與其他類型的鋼結構建筑相比,建設方式也有些區別。普通多高層鋼結構多以鋼板為原材料,規格標準,市場有庫存,采購方便,單個構件尺度和重量都較大;鋼結構住宅構件原料多為型材,構件尺度小重量輕。工期方面,傳統鋼結構建筑多為單一單體建筑,以高層超高層為例,可以根據進度一節柱一節柱慢慢做,總體供貨周期較長,工廠出貨速度要求不高,壓力不大。鋼結構住宅項目中,開發商資金成本高,工程建設有高周轉需求,多個單體鋪開同時做,對傳統的鋼結構工廠來說,出貨速度很快,工廠壓力比較大,需要多個工廠同時供貨。施工精度方面,鋼結構住宅室內空間小,防火裝飾層較薄,對施工誤差更敏感。目標用戶方面,傳統鋼結構建筑,無論是辦公樓還是醫院等,用戶關注建筑功能,不會關注建筑的構造細節;對于住宅用戶來說,房子是家產,是生活的地方,對產品各項指標、細節要求嚴格。
目前鋼結構住宅工程建設的現狀有如下幾點:
首先應用范圍所占比例小,參與過的單位少,參與人員的經驗少。市場上大多建設人員對鋼結構住宅沒有直觀的認識。
其次技術方面總體成熟。鋼結構是成熟的產業,樓板也有成熟穩定的產品可供選擇,內墻條板也沒有太大問題,外墻材料與構造、細節節點處理稍微費事些,用心做也都能做好。
再次鋼結構施工速度快、工期短,本來是鋼結構的優勢,理論上可以很快,這也是未來發展的預期,市場上也有很快的工程案例。但是目前一些工程項目的效果不理想,一是樣板項目不急著趕工期,二是一些項目組織管理沒跟上,實在趕不出來。在鋼結構住宅沒有大面積普及之前,新項目的學習成本不可忽略。
最后工業化、裝配式的本質是通過標準化、批量化來提高效率、降低成本,這是未來的方向和預期。目前項目中價格仍舊偏高,一是受鋼材價格影響,二是設計不標準,三是制作施工的工業化程度低,四是配套部品部件的成本沒下來,都對綜合成本有影響。
這是目前鋼結構住宅的現狀,從國家頂層設計看,裝配式鋼結構住宅是未來的發展方向,行業都在努力學習和應用,從設計、采購、制作施工、交付與運營全過程來發力,給用戶提供一個安全經濟高品質的住宅產品。
可以看出,鋼結構住宅工程建設全過程管理非常重要,主要表現在如下四個方面:保障全壽命的產品質量、提高全過程的建造效率、節約最終產品的綜合成本、錘煉各環節的技術人員。
所以我今天從鋼結構住宅的設計與招標、施工前的準備、施工要點以及產品交付與運營維護等四個方面為大家分享鋼結構住宅工程建設全過程的技術與管理要點。
一、項目設計與招標的要點
前期的項目設計是鋼結構住宅能否順利進行的關鍵。設計決定了產品體系及構成,決定了后期的制作和施工。工程項目招標是確定總承包單位,或者總包單位和分包單位,是決定工程項目順利實施的關鍵。要點解讀分為五個方面。
1、建筑專業為龍頭
建筑專業是鋼結構住宅設計的第一環節,一般在住宅項目拿地初期就介入了,配合開發商完成總體規劃、容積率等各項指標測算、戶型布局以及總體立面效果等。建筑戶型的布局直接決定了結構體系的布局,影響到結構材料用量以及與設備管線等其他專業的協調。在建筑方案設計階段,需要建筑師對鋼結構住宅有較為深入的了解,或者在方案前期,鋼結構專業同時介入配合,避免建筑方案確定后給鋼結構的反饋調整帶來困難。
目前的現狀是,國內做過鋼結構住宅的設計單位很少,懂鋼結構住宅的建筑師也很少。在很多項目中,建筑師是用已有混凝土住宅的思路做建筑,后期鋼結構如果硬套混凝土戶型,造成結構布置難以滿足鋼結構需求、受力不通暢、構件選型與標準化受限。有些項目中,大部分單體采用混凝土結構,局部幾個樓采用鋼結構,開發商為了無差別向用戶交付,要求鋼結構的成型效果必須和混凝土保持完全一致,反而不利于鋼結構住宅的標準化和工業化。
在施工圖設計過程中,需要建筑專業協調結構、設備、部品材料廠家,在各連接節點處進行協同,滿足各專業的需求,達到綜合效果最優。
所以,建筑專業作為龍頭,在設計中所起的作用非常關鍵。
2、標準化與個性化的協調
標準化才能批量化,是工業化的必要條件。住宅作為一個產品面向用戶,開發商不希望千篇一律,希望滿足不同用戶的個性化需求。目前看來最好的方式是內部采用標準化的部品,比如鋼柱、鋼梁、樓板、墻體、整體廚衛、裝配式裝修等,通過靈活組合,形成個性化的外形,兼顧標準化和個性化。

通過標準化部品部件組成個性化住宅建筑成品
住建部科技與產業化發展中心和住宅產業化促進中心主編了《鋼結構住宅主要構件尺寸指南》,規定了住宅中常用構件的類型、規格表,希望原材料廠家能提供標準化型材,設計單位能選用,形成良性循環,共同提高部品的標準化水平,降低過程成本。
3、專業協同與建筑信息模型
鋼結構住宅空間較小,建筑布置、結構構件布置、設備管井、管線穿越等各專業的相互關系需要經過精細化的設計,過程中會反復的條件互提與反饋調整,對各專業的互相配合要求較高。在混凝土住宅中,經常有施工過程中的調整修改發生,但是鋼結構是工廠制作完成后現場安裝的,現場對結構的調整基本不可能,需要一切在施工前設計完成。

目前的常用做法是采用BIM建筑信息模型,好在鋼結構住宅標準層多,戶型標準化程度高,大部分的項目中,BIM建筑信息模型一般只需要做一層,或一個標準單元即可。BIM信息模型可以有效檢查碰撞,真實的反映鋼梁開孔等信息。
4、裝配率、新技術應用與綜合造價的平衡
裝配率指標是目前政府推動裝配式建筑的一個抓手,國家有《裝配式建筑評價標準》GB51129-2017,各地也出臺了對應的省標。不同的標準,對裝配率的計算方法不同。由于技術創新不斷涌現,各類部品的構造也日新月異,這些新技術在應用中如何計算裝配率,各地工業化主管部門解釋也不相同。另外,新技術新產品的應用,在技術可靠性和成本方面,同時也帶來一定的不確定性,受不同產品廠家的影響較多。
這就帶來了裝配率、技術成熟度以及綜合成本之間的平衡問題。在設計過程中,開發商、設計單位、廠家之間互相溝通,反復測算,同時既能滿足政府裝配率的要求,又能盡量的采用傳統成熟技術,盡量節約成本。
這只是目前的現狀,相信隨著鋼結構住宅的應用成熟,產品的迭代更新優化完善,裝配率會越來越高,同時成本卻越來越低。
5、施工招標的關注點
現在市場上EPC總承包的項目還不多,設計完成正式施工前,招標是一個重要的環節。不同的開發商招標方式不同,有些是只招標總承包,鋼結構分包由總包發包;有些是鋼結構由開發商單獨招標。工程承包模式的選擇是要關注的要點之一。
如果開發商分開招標,則總包與分包之間的工作界面劃分需要重點關注。因為鋼結構與土建的交叉環節較多,無論是塔吊的協調,還是樓板混凝土的澆筑,以及二次結構與鋼結構的節點等,都涉及到界面劃分和互相配合。
無論采用哪種方式,在招標時,要求投標單位的鋼結構住宅施工經驗是很重要的。有經驗的單位會避免很多問題,能有效的組織項目施工,提高整體進度和質量。
招標時還應要求各專業技術人員的齊備性?,F在市場上有鋼結構住宅相關實踐經驗的技術人員比較緊缺,有無經驗對項目的技術管理有較大的差別。
二、項目實施前的準備工作
項目實施前的準備工作很重要,會影響到項目的順利施工。主要從圖紙深化、專業協同調整、材料訂購、新技術應用方案的學習與驗證幾個要點來解讀。
1、圖紙深化
與傳統鋼結構的圖紙深化不同,鋼結構住宅構件小重量輕,圖紙深化出來的節點系數與傳統經驗值有一定的差別,甚至會影響前期投標報價。鐵木辛柯在研發一鍵深化的軟件開發,目前已有已有不少項目,開發商以深化詳圖招標,提高投標報價的準確性。

另一方面,鋼結構住宅在前期設計的標準化工作,對主要構件進行了歸并,以有限數量的規格涵蓋整體項目絕大多數的構件選用需求。如果總包將不同單體分包給不同工廠,每家單位再以單體分節分批的方式深化采購原材料,則構件選用的H型鋼、矩形鋼管等型材會達不到原料廠家的加工批次,給采購帶來困難。
除了鋼結構,住宅中的墻體、樓板、裝配式裝修,也需要提前深化,提前訂貨采購。
2、專業協同調整
有些部品部件在設計時只提出了類型和技術標準,并不能指定廠家。總包在部品招標完成后,廠家會介入深化工作。比如墻板,不同廠家提供的連接節點、拼接處理等不同,可能與鋼結構、裝配式裝修等專業有修改的要求,這就需要不同專業之間互相協調,甚至原設計參與補充圖紙或修改圖紙,共同解決可能出現的各種調整問題。

3、材料訂購
鋼結構材料的訂購分為鋼結構主材與小料。裝配式鋼結構住宅中,標準化型材是發展的主流方向,主材一定是標準化型材為主,在住建部標準的指引下,未來供貨廠家會越來越多,產品競爭下的質量也會越來越好。小料目前還以工廠自制為主,一些產品的配料開始往產品化發展,未來可能就是類似高強螺栓、栓釘等小料包的標準化產品配送。

批量化的優勢。在一個較大型的鋼結構住宅項目中,通過設計標準化歸并,一般一種規格有數百噸甚至上千噸的量,與原材料供貨商洽談采購,有一定的談判優勢。如果拆開零碎采購,反而成為一種劣勢。住宅一般是高周轉,不存在存貨周期過長的問題,所以可以在項目早期,深化完成后,整個項目統一采購談判。
應關注采購周期。鋼結構住宅中,主體鋼結構的安裝相對比較緊急,其中常用的矩形鋼管要一定的采購周期,給材料供貨商預留調貨與加工時間。
4、新技術應用方案的學習與驗證
現在鋼結構住宅處于市場推廣期,不少項目的施工單位是第一次嘗試,無論是管理團隊還是技術人員都沒有接觸過鋼結構住宅,需要在項目實施前學習相關知識,做好施工前的準備。可以通過技術考察、學習或招人、做試驗樣板的方式學習。

可以到國內已有項目上考察,與施工單位交流學習,派遣技術人員去項目學習或招聘有經驗的施工技術人員,對技術消化的基礎上,可以通過做實驗樣板的方式對相關技術進行驗證,保證后續施工的順利實施。
三、鋼結構住宅施工的要點
鋼結構住宅的施工技術,之前講過了,具體技術細節包括鋼結構施工、樓板施工、墻體施工、防火施工、內裝飾施工等,技術點都有成熟可靠的做法,主要從總體目標導向的專業協調、新技術應用的樣板做法以及細節、責任心和品質管控三個方面進行解讀。
1、總體目標導向的專業協調
鋼結構住宅工程建設,開發商的總體目標是成本可控、品質保證、高周轉。對于施工單位來說,這個總體目標也是施工的總體目標,也就是以總體工期目標、總體質量目標、總體成本目標為導向。
在傳統的混凝土住宅項目中,施工單位對此再熟悉不過,從施工組織、施工技術、原材料供應、勞務安排、可能存在的問題以及處理方案等,各個環節都了如指掌,運作起來得心應手。但是鋼結構住宅有混凝土工程、鋼結構與樓板工程、鋼結構的防火、裝配式墻體、鋼結構的節點處理以及裝配式裝修等,每個環節都有不清楚不熟悉的新知識新技術,要想在總體成本可控的情況下,保質保量的按期完成,是一項艱巨的任務。這也是目前很多開發商、總包單位頭疼的主要原因所在。
可以看出,總體工期目標、總體質量目標和總體成本目標之間是有矛盾的。工期趕得緊,質量不保證,投入大成本下不來;質量抓得嚴,成本和工期都難控制。所以,需要對著三個目標進行綜合考量,不斷磨合,逐步找出最優的實施方案。
2、新技術應用的樣板做法
無論是鋼結構,還是樓板、墻板、防火、裝修等做法,鋼結構住宅對于大多數施工單位來說是陌生的。一般房企的高端項目,對品質要求很高,都會要求樣板先行。樣板分為普通工藝樣板和驗證工藝樣板,普通工藝樣板,各個工序施工前,按照擬定的工藝工法完成樣板,合格后在施工班組宣講,然后才進入大面積施工。
驗證工藝樣板,比如防火涂料及墻體施工前,提前先進行工程樣板間的制作并觀察一定時間,檢驗測試合格后再進入大面積施工。

3、細節、責任心和品質管控
鋼結構住宅中,目前基本沒有沒解決的技術難題,最終的產品質量主要在細節的把控上。對樣板工程,可以不惜成本和工期,挑最好的老師傅慢慢的做精細,不出任何瑕疵。但是對于實際工程項目,用的是批量勞務隊伍,工人的技術水平可能參差不齊。在施工中,細節的把控一是靠工人的責任心,二是靠技術管理人員的品質管控。

這個環節,需要工人、技術人員和監理共同努力協調,保證質量的情況下和跟上進度,很考驗現場管控。所以,樣板很重要,也是一個很好的方法。
四、產品的交付與運營維護
設計、施工、運營維護等環節都滿足規范標準要求的鋼結構住宅產品,在全生命周期內的安全可靠性是有保證的。
鋼結構住宅建設完成,只是產品交付的必要條件。產品交付后,才是全生命周期的開始。鋼結構住宅作為一個產品,交給用戶后,要同時提供產品說明書,并提供使用過程中的技術支持以及長期維保服務。目前國內鋼結構住宅項目較少,很多是近些年建成的,還沒有經過長期的運營檢驗。針對產品交付和運營維護中的技術管理要點,從三個方面介紹。
一是產品說明書。國內商品房開發商在產品交付時,都會為業主提供產品說明書,介紹產品的構成、特點、使用說明以及后期維保等。鋼結構住宅在商品房中的應用案例總體較少,一些開發企業也在研究應該向用戶提供什么樣的產品說明書。在市場推廣前期,建議產品說明書盡量詳細一些,在用戶使用產品過程中可能的問題都加以說明、提醒和技術指導,避免用戶盲目動作對產品有不可預期的損害。建議產品說明書可以包含以下幾項內容:
1、鋼結構住宅產品構造與材料說明。鋼結構住宅應用較多新材料、新部品、新技術,盡量向用戶開誠布公的講清楚,免得用戶不了解產生誤會。比如輕質隔墻、各類保溫做法、防火做法、裝配式裝修做法等,不一定講很深的技術細節,要講清楚這些材料選用、構造做法的重要性、設計依據的國家規范圖集等。之前國內發生過用戶認為輕質保溫材料是建設方偷工減料的案例。

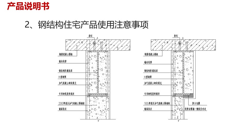
2、鋼結構住宅產品使用注意事項。鋼結構住宅的材料選用與構造與混凝土住宅有差別,一些傳統住宅使用中可能存在的場景,在鋼結構住宅中需要注意,比如裝配式裝修是空鼓墻,不能掛釘子;比如鋼結構住宅定期維護人員會入戶訪問檢查,類似煤氣管線定期檢查更換一樣,需要用戶配合等,向用戶說明清楚。

3、鋼結構住宅裝修改造技術文件。住宅的二次甚至多次裝修改造,是住宅產品應用中一個常見的場景,不可避免,即使是精裝交付的產品。因為裝修的壽命低于住宅產品的壽命,現實中也存在住宅多次入市交易的情況。產品說明中應有裝修改造的這一塊內容,下一小結重點講述。

4、鋼結構住宅耐久性與產品維護。任何產品都有耐久性與維護問題,鋼結構住宅也不例外。產品維護保養一般是物業的事情,有房屋維修基金,與用戶關系不大。但說明書中也應有這部分內容,下一小結也會講述。

二是鋼結構住宅的二次裝修。這是業內各市場參與主體都很關注的問題,尤其是房產開發商。在一項技術未經過市場大面積應用,未取得普遍認知和實踐經驗之前,大家有疑問是正常的。為了保障用戶的權益,結合其他類產品的維保服務方式,對未來鋼結構住宅的二次裝修發展方向,有如下一些建議。
1、目前市場上常見的做法是由客戶自主決定。這就存在用戶盲目裝修的情況,這也是目前大家最關注的問題,怕出各種各樣的問題,這是應該努力避免出現的。

2、對于市場上面向中端以下大眾的普通住宅產品,至少應該在產品說明書中提供二次裝修的技術說明。用戶可以通過自己查看產品說明書,學習了解相應的技術指標,避免盲目裝修帶來不可控問題。

4、最優的方案是提供“汽車4S店”類的二次裝修承包服務,這種方案適用于高端精裝修交付的住宅產品。此類產品面對的是高端用戶,產品的材料選用都是有品牌的,構造做法比較講究,最好是由原裝修單位提供維保以及二次改造的設計和施工,這樣才能在材料品牌選用、構造合理性以及施工細節方面為用戶提供高品質的服務。
三是鋼結構住宅的耐久性檢查與維保。任何產品在服役期內,都面臨耐久性檢查與維護保養問題。傳統住宅也有檢查與維保問題。鋼結構住宅中,基礎、主體結構、主要墻體等,在全壽命周期內如果沒有經過較大的地震損壞,按現有規范質量要求,是不用經常檢查維保的。鋼結構住宅的耐久性檢查與維保主要有以下幾個方面。
1、屋面防水耐久性的檢查與維保。屋面防水材料多采用卷材等有機材料,設計時已經確定了防水等級,使用階段要定期檢查屋面防水質量及滲漏情況,需要的時候,進行維護與保養甚至更換。

對于鋼結構住宅中出屋面的鋼結構節點處防水處理,應給予重點關注。

2、外墻材料耐久性的檢查與維保。一些產品的外墻采用幕墻與嵌縫膠的構造做法,嵌縫膠屬于有機材料,類似玻璃幕墻、鋁板幕墻,也要定期的檢查耐久性,進行維保。

3、鋼結構防腐蝕材料的檢查與維保。市場最關注的是鋼結構的防腐蝕材料的耐久性檢查與維保問題,因為這個問題表面看起來處理最麻煩。市場對此問題的擔心多是因為不了解相關的技術細節,加上設計規范、產品規范的應用場景不同,產品的耐久性指標不同,給市場帶來困擾。研究表明,鋼結構在正常防腐蝕涂裝以及防火涂料保護下,耐鹽霧實驗可達2000小時,能滿足住宅設計基準期的要求。目前國家正在修編鋼結構住宅的防腐蝕相關規范標準,從所處的環境、防腐蝕做法、耐久性指標以及檢查維護等,給出更詳細的指導。由于鋼結構住宅服役期都較短,目前還不到防腐蝕耐久性檢查的階段,相信新版規范標準的出臺能及時解決公眾關心的這個問題。

4、其他機電設備的檢查與維保。住宅產品中其他的機電設備,比如電梯、空調新風、燃氣、供電、供水消防等的檢查與維保,已有標準成熟的經驗做法,這里不再贅述。

今天我的報告從鋼結構住宅的設計與招標、施工前的準備、施工要點以及產品交付與運營維護等四個方面與大家進行了分享,以上是我報告的主要內容,不足之處,請批評指正!謝謝大家!